Pipe Assembly for Potterton Prima F 60F
Brand: Potterton Range: PRIMA Model: F 60F GC Number: 41-607-04
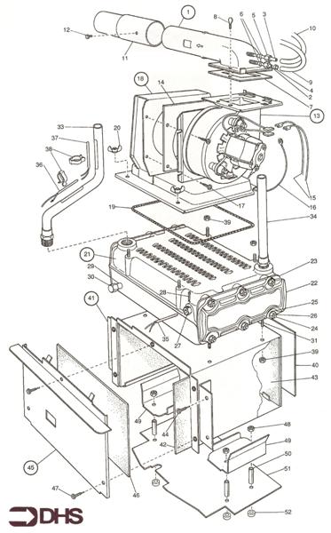
Here you will find all the spare parts for the Potterton Prima F 60F. Can't find the part you're looking for? You can contact us and a member of our team will be more than happy to help find the part you need.
Installation ManualAll of our boiler manuals are free to download from our boiler manuals section
You can narrow your results further by choosing one of the following sub-appliances:

