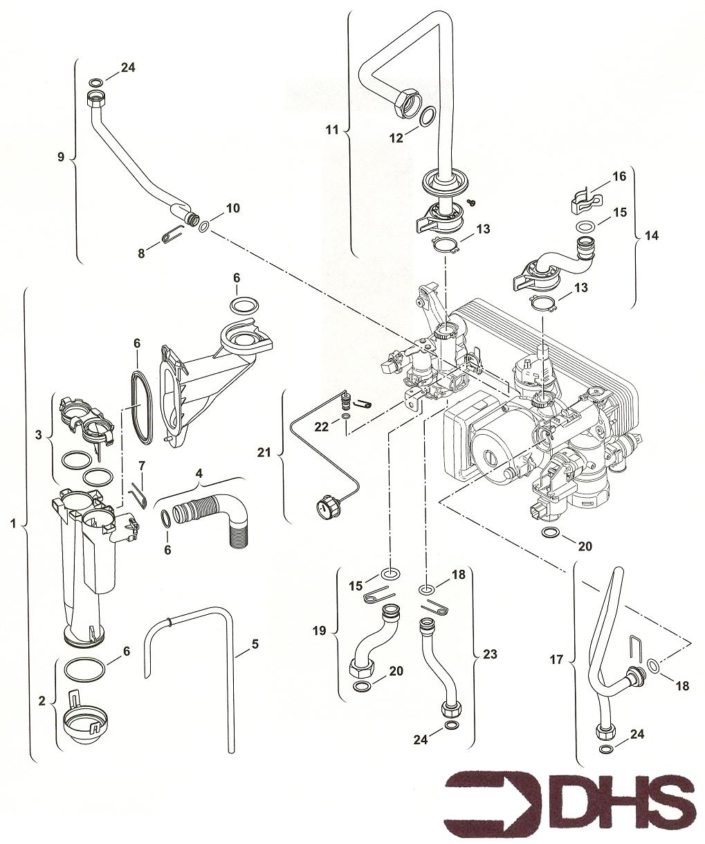
Pipe Assembly for Worcester CDI 30 Combi
Brand: Worcester Range: CDI Model: 30 Combi Appliance Code: 7713331007
We have a range of spare parts for the Worcester CDI 30 Combi. Can't find the part you're looking for? You can contact us and a member of our team will be more than happy to help find the part you need.
All of our boiler manuals are free to download from our boiler manuals section
You can narrow your results further by choosing one of the following sub-appliances:


