Pressure Relief & Safety Valves for Glowworm Swiftflow 80 S.I.T
Brand: Glowworm Range: SWIFTFLOW Model: 80 S.I.T GC Number: 47-313-09
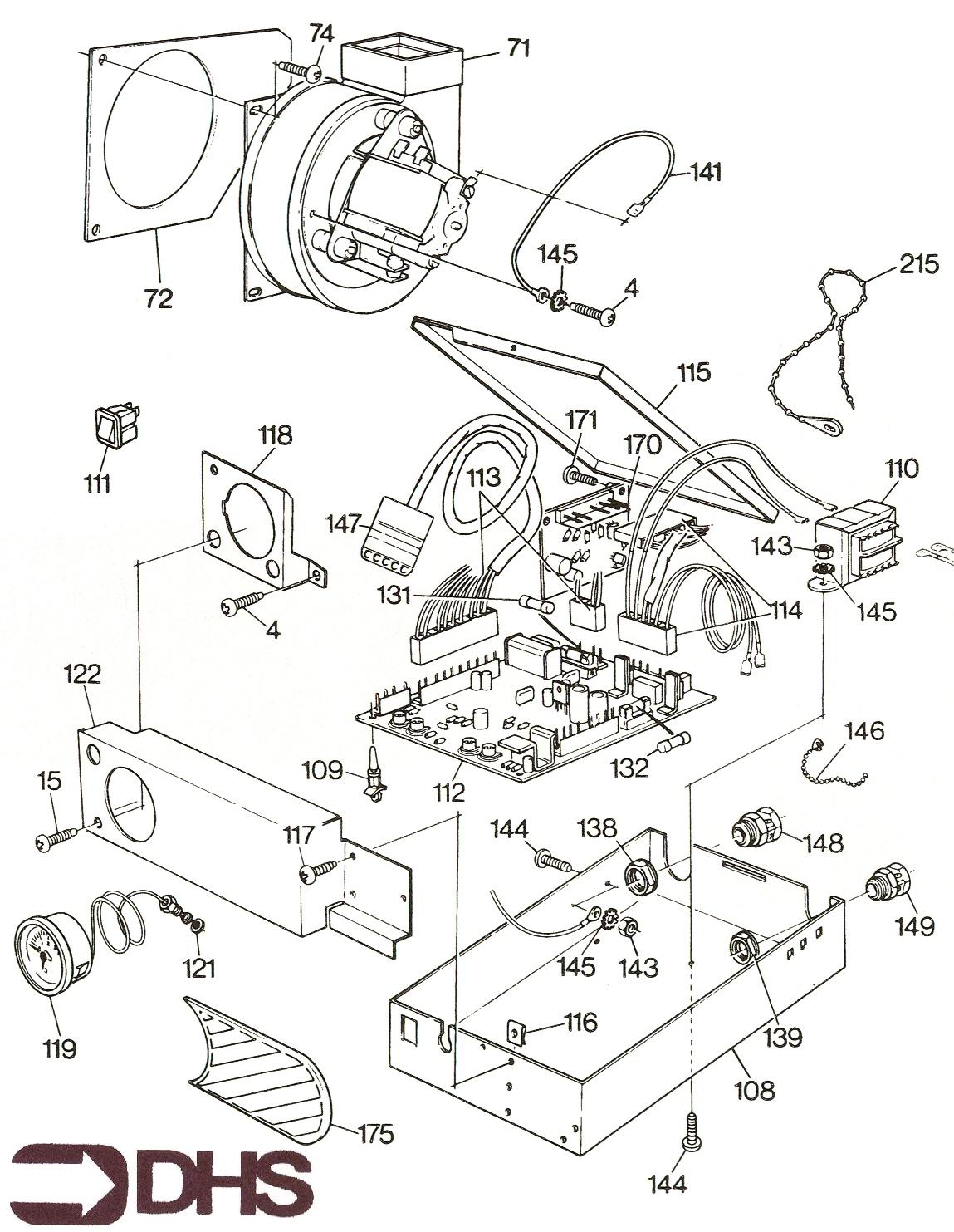
Here you will find all the spare parts for the Glowworm Swiftflow 80 S.I.T. Can't find the part you're looking for? You can contact us and a member of our team will be more than happy to help find the part you need.
All of our boiler manuals are free to download from our boiler manuals section
You can narrow your results further by choosing one of the following sub-appliances:

