Printed Circuit Board for Glowworm Ultimate 60 LPG
Brand: Glowworm Range: ULTIMATE Model: 60 LPG
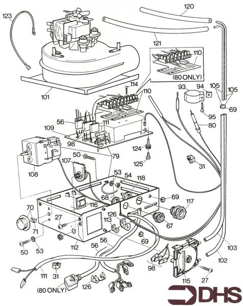
Here you will find all the spare parts for the Glowworm Ultimate 60 LPG. Can't find the part you're looking for? You can contact us and a member of our team will be more than happy to help find the part you need.
All of our boiler manuals are free to download from our boiler manuals section
You can narrow your results further by choosing one of the following sub-appliances:
109 Glow-worm S900847 Twin Fuse Printed Circuit Board - Including TPO - Micron/CI
Part No: 1336685 MPN: S900847
109 Glow-worm S900817 Single Fuse Printed Circuit Board - Economy/Fuelsaver/Ultimate
Part No: 1336683 MPN: S900817
