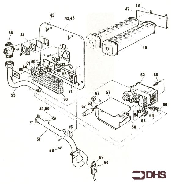
Thermocouple for Baxi Floor Standing OF 801S
Brand: Baxi Range: Floor Standing Model: OF 801S GC Number: 41-077-16
We have a range of spare parts for the Baxi Floor Standing OF 801S. Can't find the part you're looking for? You can contact us and a member of our team will be more than happy to help find the part you need.
All of our boiler manuals are free to download from our boiler manuals section
You can narrow your results further by choosing one of the following sub-appliances:
064 Baxi 102005 Thermocouple - 18/24 Honeywell Q309A2721 STD - Bermuda/Brazilia
Part No: 1110952 MPN: 102005
