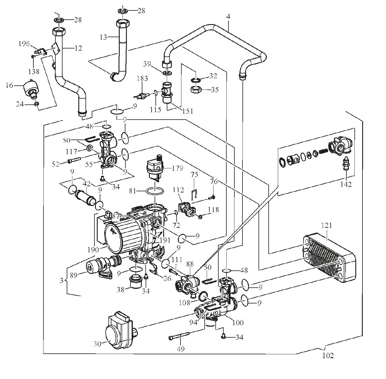
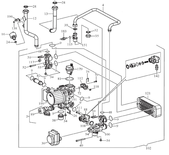
Thermostats for Alpha CD 25 C
Brand: Alpha Range: CD Model: 25 C GC Number: 47-532-32
We have a range of spare parts for the Alpha CD 25 C. Can't find the part you're looking for? You can contact us and a member of our team will be more than happy to help find the part you need.
Installation ManualAll of our boiler manuals are free to download from our boiler manuals section
You can narrow your results further by choosing one of the following sub-appliances:
020 Alpha 1.016870 Overheat Thermostat - 105 Degree - C Range/CD Range/Protec
Part No: 1257529 MPN: 1.016870

