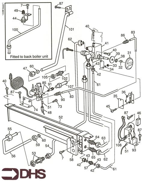
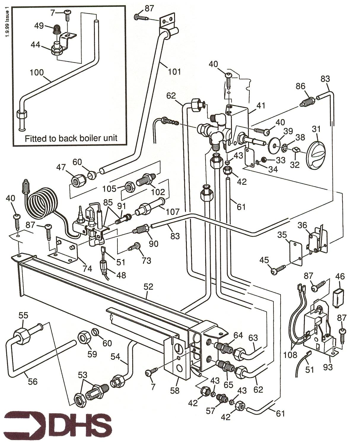
LPG Boiler Spares for Glowworm Black Ash 2 Fire Front
Brand: Glowworm Range: Black ASH 2 Model: Fire Front GC Number: 37-047-10
Here you can find the spare parts for the Glowworm Black Ash 2 Fire Front. Can't find the part you're looking for? You can contact us and a member of our team will be more than happy to help find the part you need.
All of our boiler manuals are free to download from our boiler manuals section
You can narrow your results further by choosing one of the following sub-appliances:


