LPG Boiler Spares for Ideal Domestic I-Mini 24
Brand: Ideal Domestic Range: I-MINI Model: 24
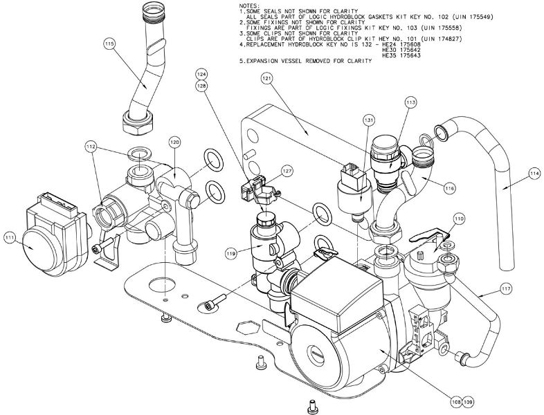
We have a wide range of spare parts for the Ideal Domestic I-Mini 24. Can't find the part you're looking for? You can contact us and a member of our team will be more than happy to help find the part you need.
All of our boiler manuals are free to download from our boiler manuals section
You can narrow your results further by choosing one of the following sub-appliances:
121 Ideal 177529 Plate Heat Exchanger Kit - ABK Onwards - Logic Combi/Independent
Part No: 1782501 MPN: 177529

