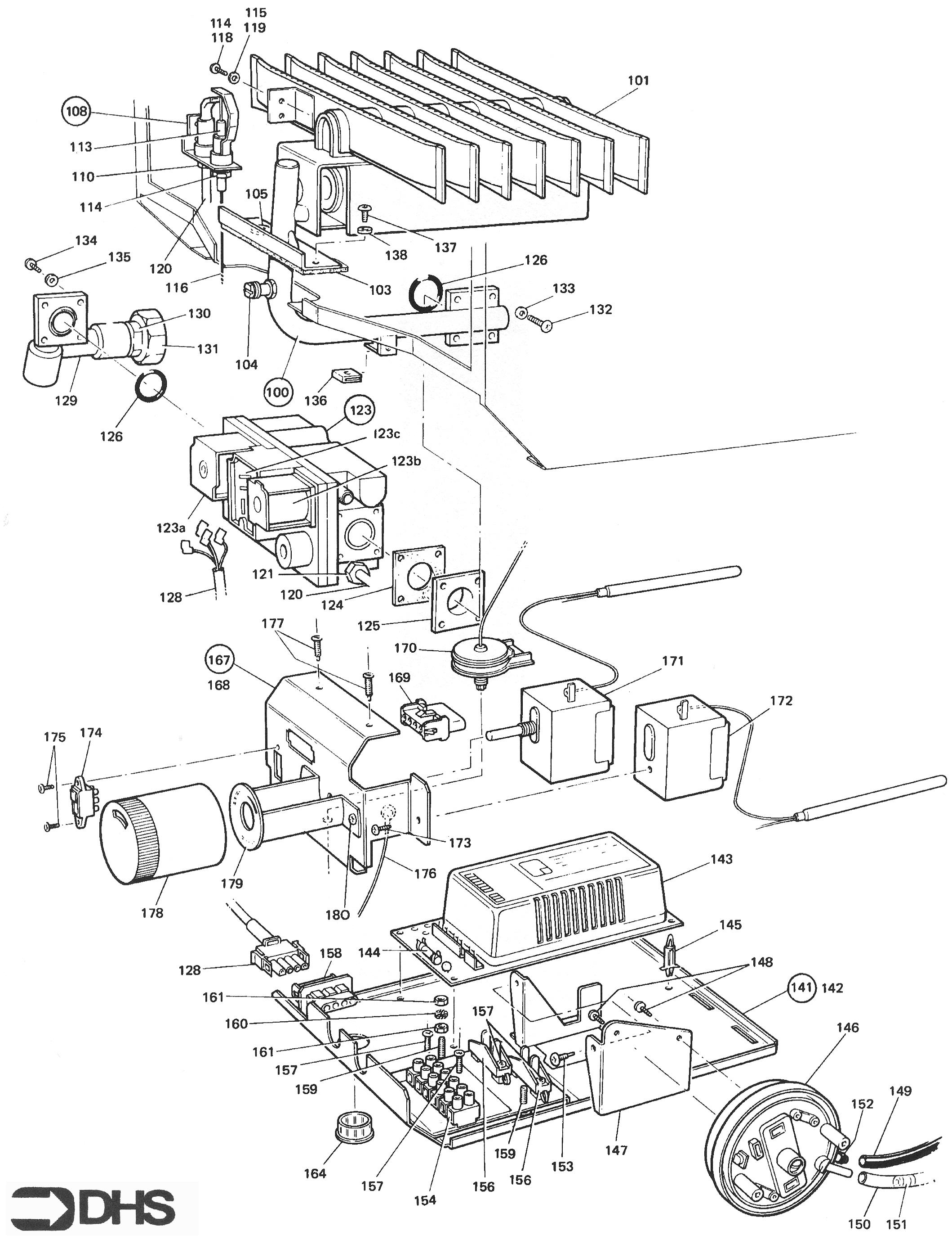
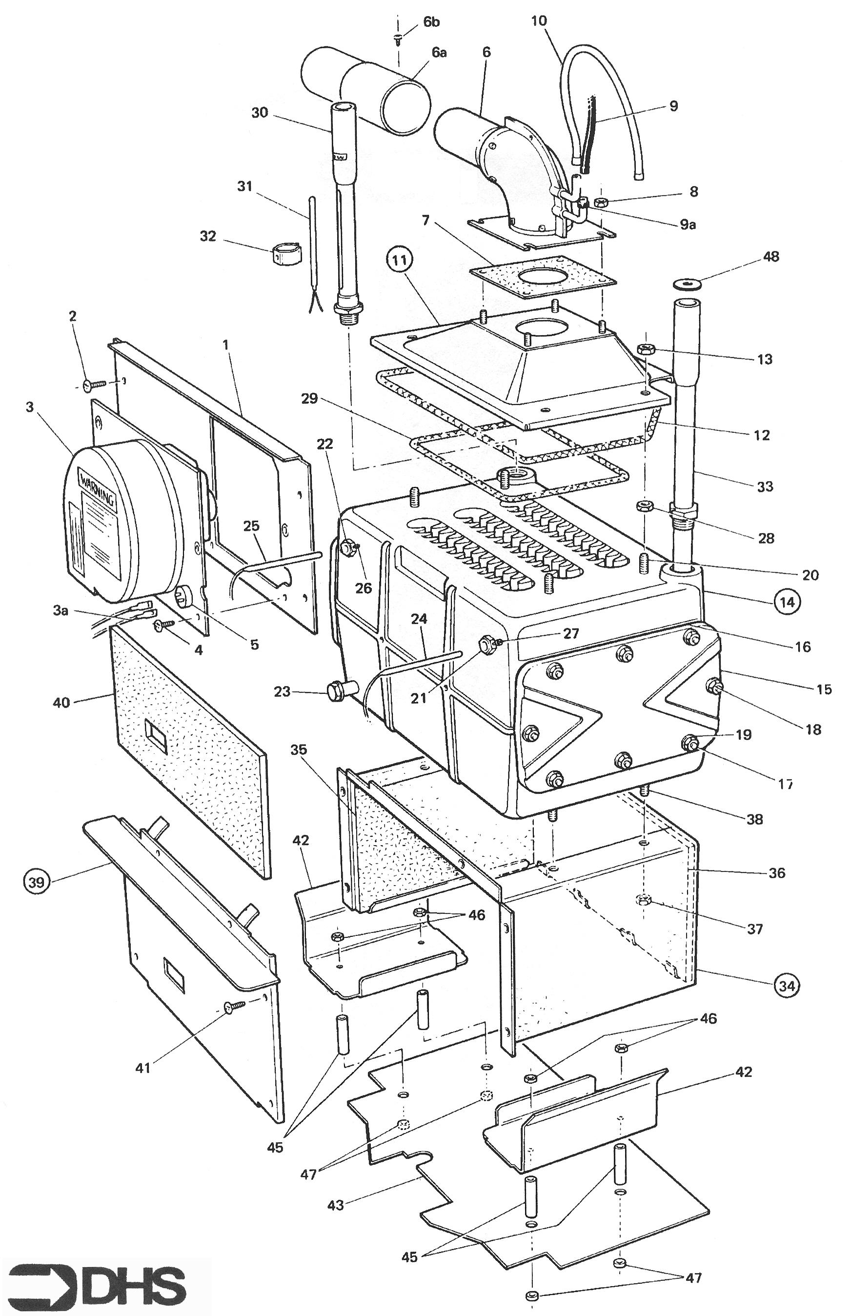
Burner for Potterton Netaheat Profile 30E NG
Brand: Potterton Range: NETAHEAT Model: Profile 30E NG GC Number: 41-605-39
Here you will find all the spare parts for the Potterton Netaheat Profile 30E NG. Can't find the part you're looking for? You can contact us and a member of our team will be more than happy to help find the part you need.
Installation ManualAll of our boiler manuals are free to download from our boiler manuals section
You can narrow your results further by choosing one of the following sub-appliances:

