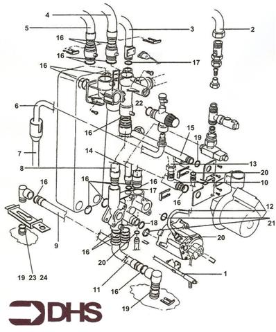
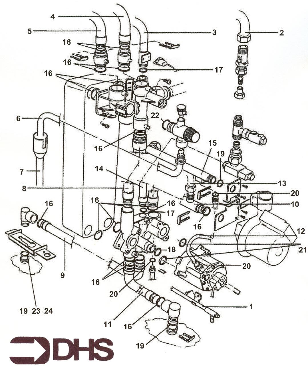
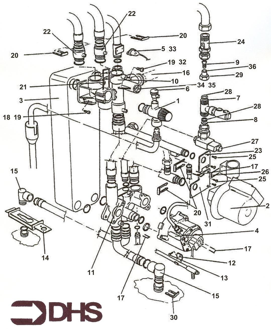
Heat Exchangers for Worcester Hiflo 400 OSP LPG Combi
Brand: Worcester Range: HIFLO Model: 400 OSP LPG Combi GC Number: 47-311-23
Here you can find the spare parts for the Worcester Hiflo 400 OSP LPG Combi. Can't find the part you're looking for? You can contact us and a member of our team will be more than happy to help find the part you need.
Installation ManualAll of our boiler manuals are free to download from our boiler manuals section
You can narrow your results further by choosing one of the following sub-appliances:


