Nozzles for Sime Format System 30 HE
Brand: Sime Range: FORMAT Model: System 30 HE
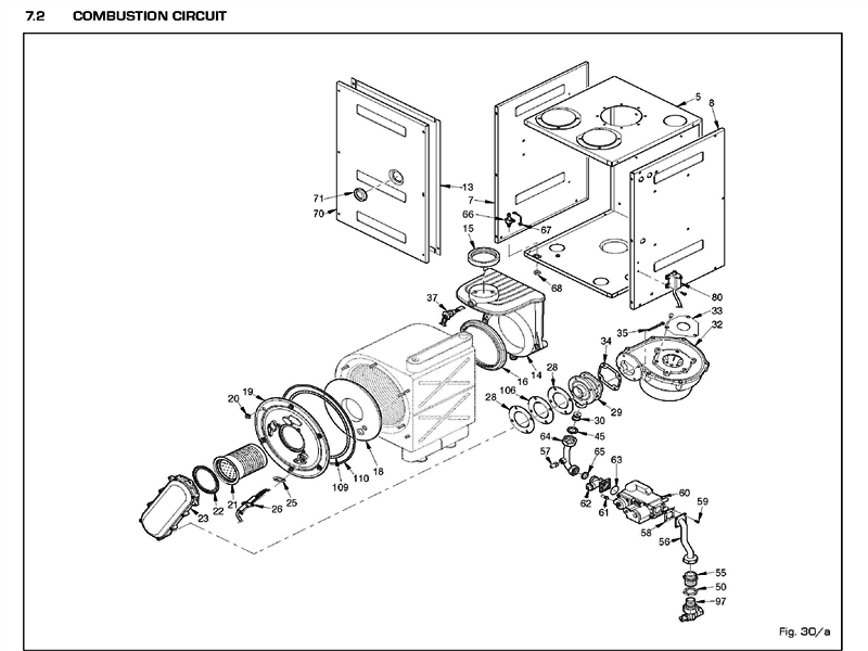
Here you can find the spare parts for the Sime Format System 30 HE. Can't find the part you're looking for? You can contact us and a member of our team will be more than happy to help find the part you need.
All of our boiler manuals are free to download from our boiler manuals section
You can narrow your results further by choosing one of the following sub-appliances:
