Thermistors for Ideal Domestic Logic + System 24
Brand: Ideal Domestic Range: LOGIC + Model: System 24
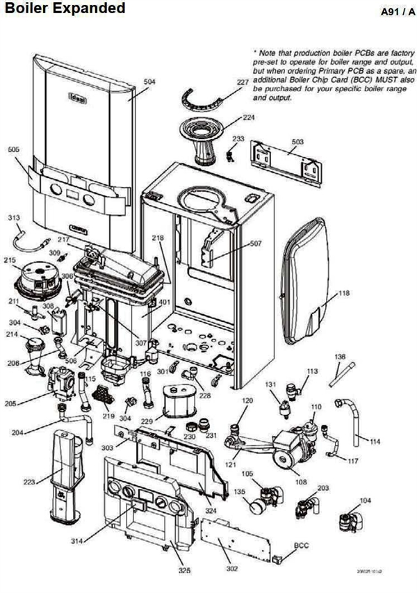
We offer a wide range of spare parts for the Ideal Domestic Logic + System 24. Can't find the part you're looking for? You can contact us and a member of our team will be more than happy to help find the part you need.
All of our boiler manuals are free to download from our boiler manuals section
You can narrow your results further by choosing one of the following sub-appliances:


