Uncategorised for Baxi Bermuda 675 LFE

Brand: Baxi Range: Bermuda Model: 675 LFE GC Number: 44-077-47

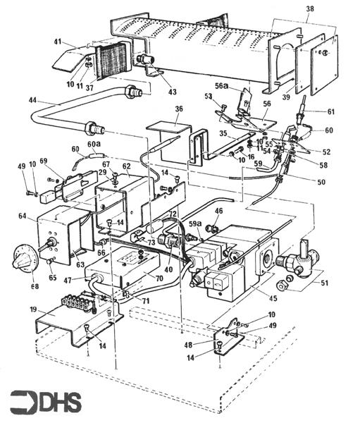
Here you will find all the spare parts for the Baxi Bermuda 675 LFE. Can't find the part you're looking for? You can contact us and a member of our team will be more than happy to help find the part you need.

All of our boiler manuals are free to download from our boiler manuals section

You can narrow your results further by choosing one of the following sub-appliances:

BAXI 042768 BURNER BOILER 038

BAXI 042768 BURNER BOILER

Part No: 1110292 MPN: 042768

Sorry, this part is now obsolete

View Part Details
59A

BAXI 042799 RESTRICTOR PILOT 675 BLR&CON

Part No: 1110300 MPN: 042799

Sorry, this part is now obsolete

View Part Details
BAXI 042823 INSULATION REAR TOP COMB BOX 002

BAXI 042823 INSULATION REAR TOP COMB BOX

Part No: 1110312 MPN: 042823

Sorry, this part is now obsolete

View Part Details
BAXI 062240 NIPPLE PRES TEST 046

BAXI 062240 NIPPLE PRES TEST

Part No: 1110550 MPN: 062240

Sorry, this part is now obsolete

View Part Details
096

BAXI 062600 WASHER NYLON CONTROLS COVER

Part No: 1110634 MPN: 062600

Sorry, this part is now obsolete

View Part Details
BAXI 082109 WINDOW VIEWING 007

BAXI 082109 WINDOW VIEWING

Part No: 1110718 MPN: 082109

Sorry, this part is now obsolete

View Part Details
BAXI 092012 ELECTRODE IGNITION BRAEMAR 2 142

BAXI 092012 ELECTRODE IGNITION BRAEMAR 2

Part No: 1110838 MPN: 092012

Sorry, this part is now obsolete

View Part Details
BAXI 040665 BAFFLE HEAT EXCH COMB BOX 017

BAXI 040665 BAFFLE HEAT EXCH COMB BOX

Part No: 1110098 MPN: 040665

Sorry, this part is now obsolete

View Part Details
136

BAXI 042674 PIN SPLIT 2.5MM D X 20MM L

Part No: 1110270 MPN: 042674

Sorry, this part is now obsolete

View Part Details
144

BAXI 042791 ADAPT 1/4 BSPT X 3/8MM

Part No: 1110298 MPN: 042791

Sorry, this part is now obsolete

View Part Details
137

BAXI 042807 TAP DUPLEX/PIEZO ASSY LFE B2

Part No: 1110302 MPN: 042807

Sorry, this part is now obsolete

View Part Details
BAXI 042824 INSULATION FRONT PANEL. 008

BAXI 042824 INSULATION FRONT PANEL.

Part No: 1110314 MPN: 042824

Sorry, this part is now obsolete

View Part Details
055

BAXI 062451 WASHER SHAKEPROOF.INT M4 ZN PD

Part No: 1110588 MPN: 062451

Sorry, this part is now obsolete

View Part Details
BAXI 062610 BURNER FIRE BRAEMAR 2 & LFE 148

BAXI 062610 BURNER FIRE BRAEMAR 2 & LFE

Part No: 1110636 MPN: 062610

Sorry, this part is now obsolete

View Part Details
BAXI 092002 INJ FIRE N/GAS CAT 18 220 BRAY 149

BAXI 092002 INJ FIRE N/GAS CAT 18 220 BRAY

Part No: 1110836 MPN: 092002

Sorry, this part is now obsolete

View Part Details
17 products found