Uncategorised for Biasi Parva HE M96.32SM/P
Brand: Biasi Range: Parva HE Model: M96.32SM/P GC Number: 47-583-10
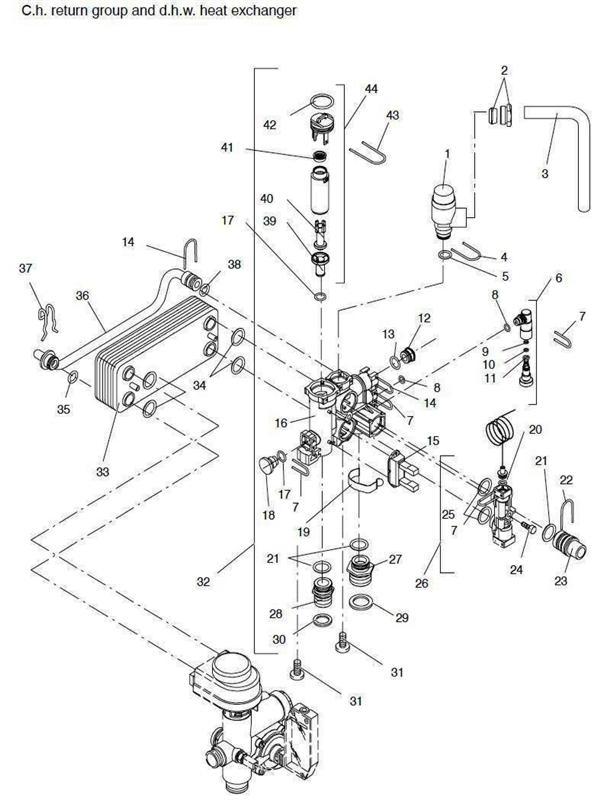
We have a range of spare parts for the Biasi Parva He M96.32SM/P. Can't find the part you're looking for? You can contact us and a member of our team will be more than happy to help find the part you need.
Installation ManualAll of our boiler manuals are free to download from our boiler manuals section
You can narrow your results further by choosing one of the following sub-appliances:



