Uncategorised for Heatline Compact S24S
Brand: Heatline Range: Compact Model: S24S GC Number: 41-157-02
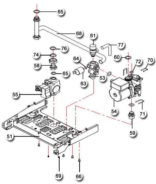
Here you can find the spare parts for the Heatline Compact S24S. Can't find the part you're looking for? You can contact us and a member of our team will be more than happy to help find the part you need.
Installation ManualAll of our boiler manuals are free to download from our boiler manuals section
You can narrow your results further by choosing one of the following sub-appliances:
