Uncategorised for Ideal Domestic Mexico Slimline Mk2 CF 55
Brand: Ideal Domestic Range: MEXICO Slimline MK2 Model: CF 55
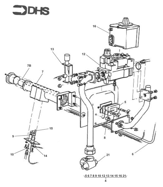
We offer a wide range of spare parts for the Ideal Domestic Mexico Slimline Mk2 CF 55. Can't find the part you're looking for? You can contact us and a member of our team will be more than happy to help find the part you need.
All of our boiler manuals are free to download from our boiler manuals section
You can narrow your results further by choosing one of the following sub-appliances:


