Uncategorised for Ideal Domestic Mexico Super CF 65
Brand: Ideal Domestic Range: MEXICO Super Model: CF 65 GC Number: 41-407-40
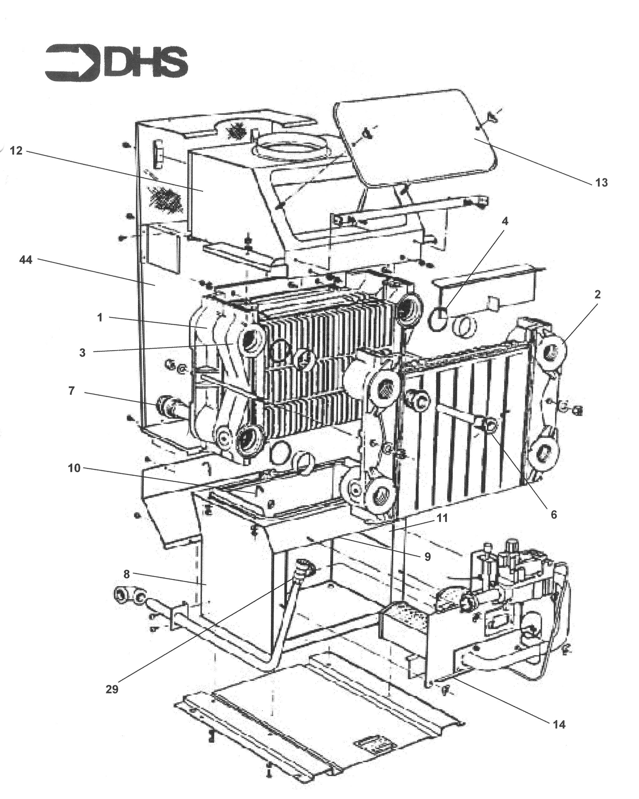
Here you can find the spare parts for the Ideal Domestic Mexico Super CF 65. Can't find the part you're looking for? You can contact us and a member of our team will be more than happy to help find the part you need.
All of our boiler manuals are free to download from our boiler manuals section
You can narrow your results further by choosing one of the following sub-appliances:


