Uncategorised for Kinder Nevada LPG

Brand: Kinder Range: NEVADA Model: LPG

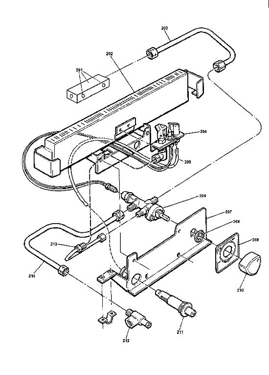
Here you can find the spare parts for the Kinder Nevada LPG. Can't find the part you're looking for? You can contact us and a member of our team will be more than happy to help find the part you need.

All of our boiler manuals are free to download from our boiler manuals section

You can narrow your results further by choosing one of the following sub-appliances:

104

PRICE ON APPLICATION

Part No: 1999999 MPN:

£100.00 inc VAT

Available in 5-7 working days

210

KIND B-35330 BLACK TRIANGULAR KNOB K1-33 - OBSOLETE

Part No: 2132644 MPN: B-35330

Sorry, this part is now obsolete

View Part Details
101

KIND 20-35920 FIBRE BOARD LH BB KF20 - OBSOLETE

Part No: 2132378 MPN: 20-35920

Sorry, this part is now obsolete

View Part Details
209

KINDER 100-1710 CONTROLS FASCIA LABEL KF100

Part No: 2130060 MPN: 100-1710

Sorry, this part is now obsolete

View Part Details
202

KINDER 22-18900 BURNER

Part No: 2130210 MPN: 22-18900

Sorry, this part is now obsolete

View Part Details
102

KIND 20-35910 FIBRE BOARD REAR BB KF20 - OBSOLETE

Part No: 2132376 MPN: 20-35910

Sorry, this part is now obsolete

View Part Details
103

KIND 20-35930 FIBRE BOARD RH BB KF20 - OBSOLETE

Part No: 2132380 MPN: 20-35930

Sorry, this part is now obsolete

View Part Details
206

KINDER B16890 VALVE SHORT SPINDLE

Part No: 2130020 MPN: B-16890

Sorry, this part is now obsolete

View Part Details
213

KINDER 20-17000 PILOT GAS SUPPLY TUBE

Part No: 2130188 MPN: 20-17000

Sorry, this part is now obsolete

View Part Details
9 products found