Uncategorised for Potterton Kingfisher Mf CFL 60
Brand: Potterton Range: KINGFISHER MF Model: CFL 60 GC Number: 41-590-29
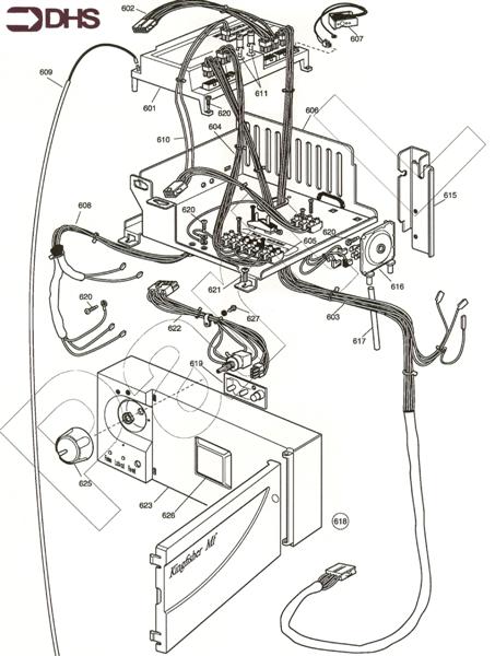
Here you will find all the spare parts for the Potterton Kingfisher Mf CFL 60. Can't find the part you're looking for? You can contact us and a member of our team will be more than happy to help find the part you need.
Installation ManualAll of our boiler manuals are free to download from our boiler manuals section
You can narrow your results further by choosing one of the following sub-appliances:



