Uncategorised for Riello 40 GS20 556T50 3755650
Brand: Riello Range: 40 Model: GS20 556T50 3755650
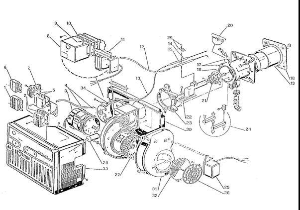
Here you can find the spare parts for the Riello 40 GS20 556T50 3755650. Can't find the part you're looking for? You can contact us and a member of our team will be more than happy to help find the part you need.
All of our boiler manuals are free to download from our boiler manuals section
You can narrow your results further by choosing one of the following sub-appliances:
