Uncategorised for Riello Gas 4 516T56 3751656
Brand: Riello Range: Gas 4 Model: 516T56 3751656
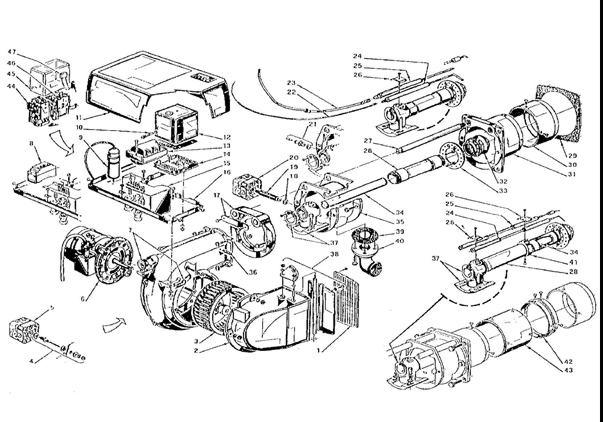
Here you will find all the spare parts for the Riello Gas 4 516T56 3751656. Can't find the part you're looking for? You can contact us and a member of our team will be more than happy to help find the part you need.
All of our boiler manuals are free to download from our boiler manuals section
You can narrow your results further by choosing one of the following sub-appliances:
