Uncategorised for Riello Gulliver Rg4D 397T1 3739750
Brand: Riello Range: GULLIVER Model: RG4D 397T1 3739750
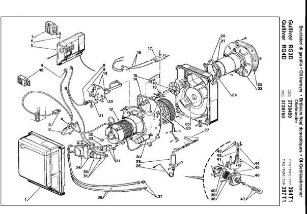
We have a range of spare parts for the Riello Gulliver Rg4D 397T1 3739750. Can't find the part you're looking for? You can contact us and a member of our team will be more than happy to help find the part you need.
All of our boiler manuals are free to download from our boiler manuals section
You can narrow your results further by choosing one of the following sub-appliances:
