Uncategorised for Riello Rl50 654T1 3474622

Brand: Riello Range: RL50 Model: 654T1 3474622

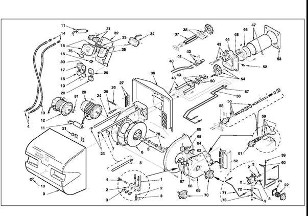
Here you can find the spare parts for the Riello Rl50 654T1 3474622. Can't find the part you're looking for? You can contact us and a member of our team will be more than happy to help find the part you need.

All of our boiler manuals are free to download from our boiler manuals section

You can narrow your results further by choosing one of the following sub-appliances:

017

PRICE ON APPLICATION

Part No: 1999999 MPN:

£100.00 inc VAT

Available in 5-7 working days

024

RIELLO BAR

Part No: 3202853 MPN: 3003777

Sorry, this part is now obsolete

View Part Details
069

RIELLO AIR INTAKE

Part No: 3202940 MPN: 3003832

Sorry, this part is now obsolete

View Part Details
3 products found