Miscellaneous for KALAHARI LPG FIRE

You can narrow your results further by choosing one of the following sub-appliances:

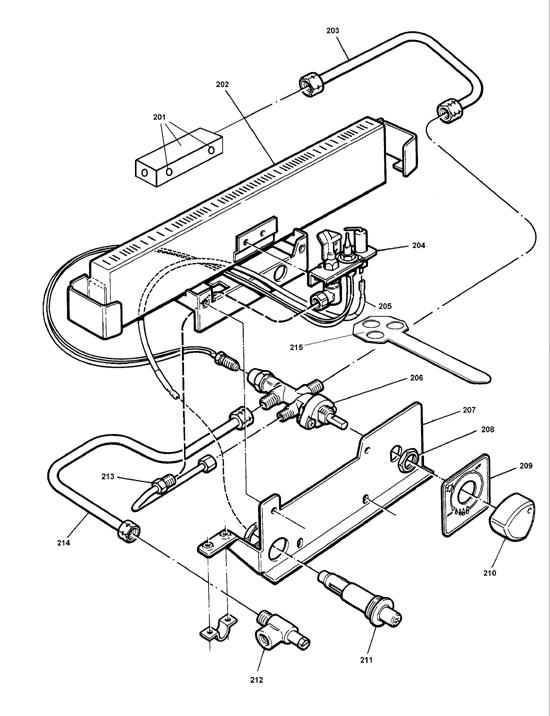
206

PRICE ON APPLICATION

Part No: 1999999 MPN:

£100.00 inc VAT

Available in 5-7 working days

213

KINDER 20-17000 PILOT GAS SUPPLY TUBE

Part No: 2130188 MPN: 20-17000

Sorry, this part is now obsolete

View Part Details
105

KINDER B-17350 16" CERAMIC PACK

Part No: 2130584 MPN: B-17350

Sorry, this part is now obsolete

View Part Details
209

KINDER 100-1710 CONTROLS FASCIA LABEL KF100

Part No: 2130060 MPN: 100-1710

Sorry, this part is now obsolete

View Part Details
202

KIND SP10034 BURNER 16" LPG - OBSOLETE

Part No: 2132874 MPN: SP10034

Sorry, this part is now obsolete

View Part Details
106

KINDER 100-1510 FUELBED INSULATING MAT 16"

Part No: 2130058 MPN: 100-1510

Sorry, this part is now obsolete

View Part Details
6 products found