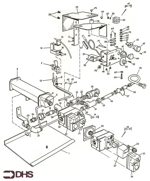
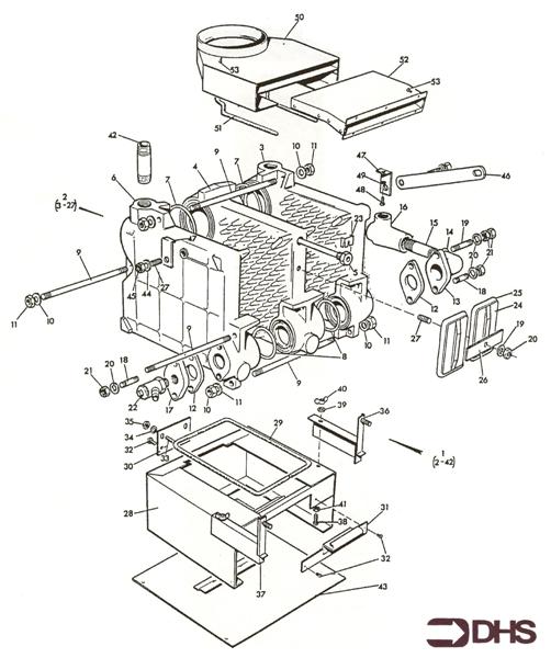
Miscellaneous for Potterton 51 Gas Fire NG
Brand: Potterton Range: 51 Model: Gas FIRE NG GC Number: 32-590-03
Here you will find all the spare parts for the Potterton 51 Gas Fire NG. Can't find the part you're looking for? You can contact us and a member of our team will be more than happy to help find the part you need.
All of our boiler manuals are free to download from our boiler manuals section
You can narrow your results further by choosing one of the following sub-appliances:



