Miscellaneous for Riello Rl100 661T1 3475217
Brand: Riello Range: RL100 Model: 661T1 3475217
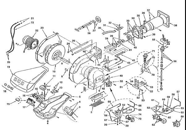
We have a range of spare parts for the Riello Rl100 661T1 3475217. Can't find the part you're looking for? You can contact us and a member of our team will be more than happy to help find the part you need.
All of our boiler manuals are free to download from our boiler manuals section
You can narrow your results further by choosing one of the following sub-appliances:
