Miscellaneous for Riello Rl38 653T1 3474122
Brand: Riello Range: RL38 Model: 653T1 3474122
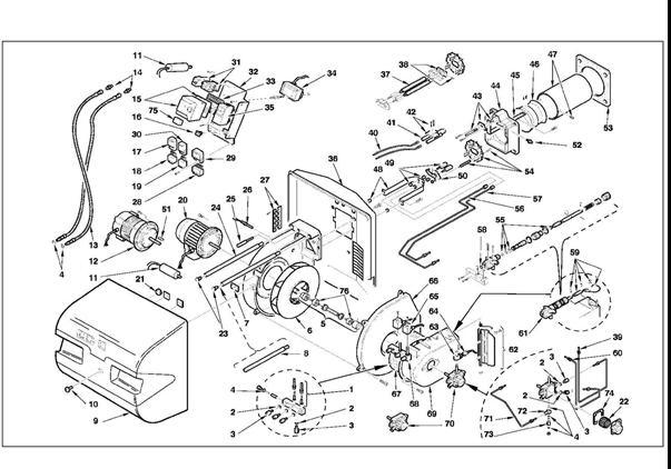
Here you can find the spare parts for the Riello Rl38 653T1 3474122. Can't find the part you're looking for? You can contact us and a member of our team will be more than happy to help find the part you need.
All of our boiler manuals are free to download from our boiler manuals section
You can narrow your results further by choosing one of the following sub-appliances:
