Water Heater Spares for Riello Rs100 3785208
Brand: Riello Range: RS100 Model: 3785208
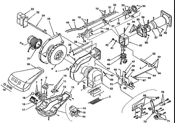
Here you can find the spare parts for the Riello Rs100 3785208. Can't find the part you're looking for? You can contact us and a member of our team will be more than happy to help find the part you need.
All of our boiler manuals are free to download from our boiler manuals section
You can narrow your results further by choosing one of the following sub-appliances:
