Water Heater Spares for Riello Rs70 821M 3785006
Brand: Riello Range: RS70 Model: 821M 3785006
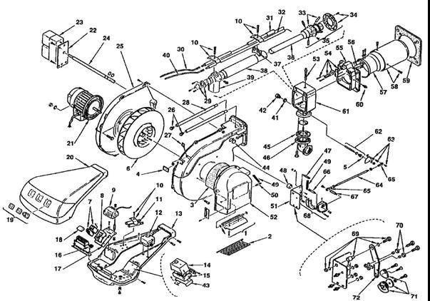
Here you will find all the spare parts for the Riello Rs70 821M 3785006. Can't find the part you're looking for? You can contact us and a member of our team will be more than happy to help find the part you need.
All of our boiler manuals are free to download from our boiler manuals section
You can narrow your results further by choosing one of the following sub-appliances:
