Gas Boiler Spares for Baxi Bermuda VP 3 NG (Page 4)

Brand: Baxi Range: Bermuda Model: VP 3 NG GC Number: 37-077-62

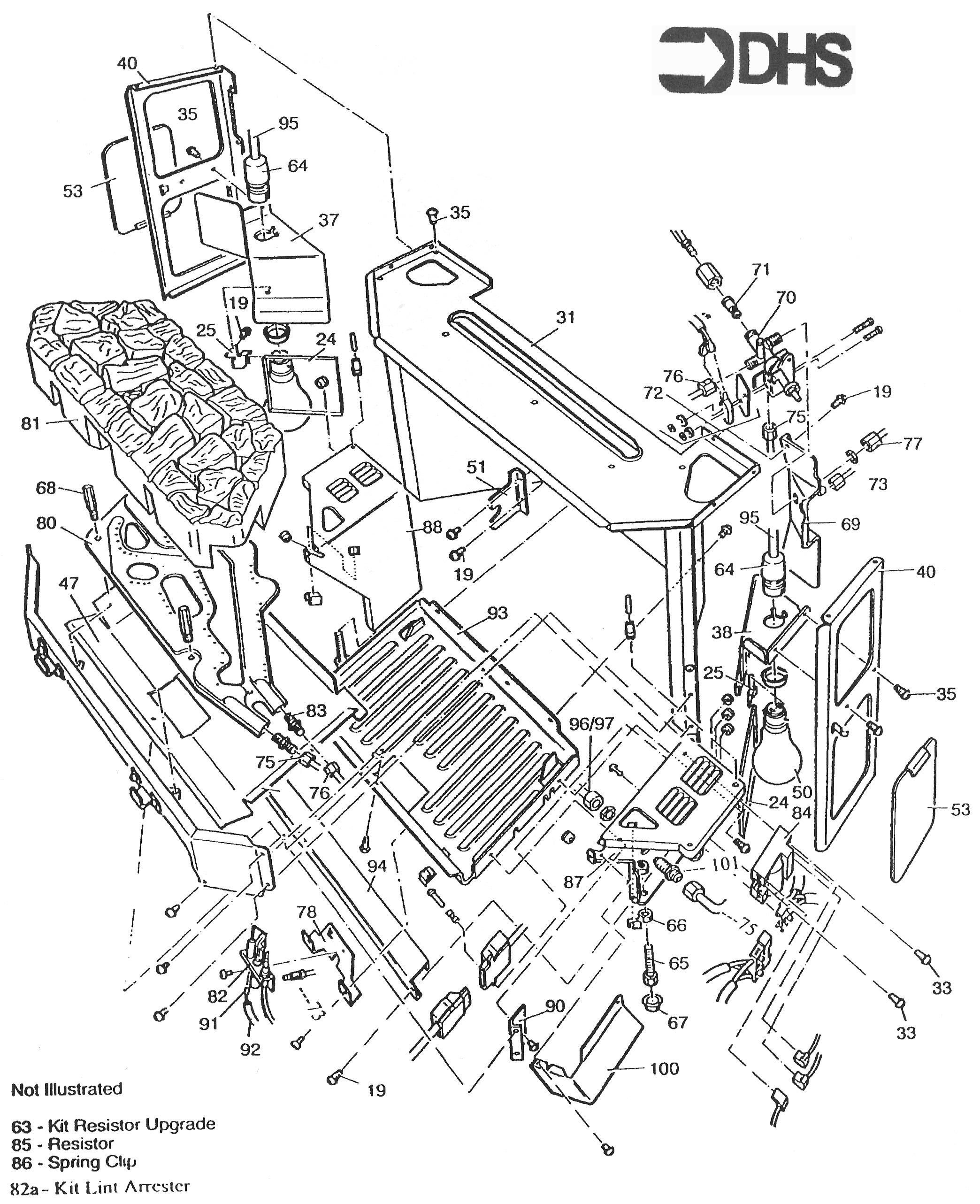
Here you will find all the spare parts for the Baxi Bermuda VP 3 NG. Can't find the part you're looking for? You can contact us and a member of our team will be more than happy to help find the part you need.

All of our boiler manuals are free to download from our boiler manuals section

You can narrow your results further by choosing one of the following sub-appliances:

053

BAXI 226881 ASSEMBLY COVER LAMP VP

Part No: 1111686 MPN: 226881

Sorry, this part is now obsolete

View Part Details
015

BAXI 235733 DOORS ASSEMBLY VP2/3

Part No: 1113000 MPN: 235733

Sorry, this part is now obsolete

View Part Details
74

BAXI 082412 FILTER PILOT

Part No: 1110764 MPN: 082412

Sorry, this part is now obsolete

View Part Details
BAXI 227304 LEAD ELECTRODE X 125MM VP 91

BAXI 227304 LEAD ELECTRODE X 125MM VP

Part No: 1111732 MPN: 227304

Sorry, this part is now obsolete

View Part Details
BAXI 236394BAX CONTROL KNOB ASSEMBLY 48

BAXI 236394BAX CONTROL KNOB ASSEMBLY

Part No: 1113382 MPN: 236394BAX

Sorry, this part is now obsolete

View Part Details
BAXI 112000 STUD FOREST FAST SRV 1762 17 0 055

BAXI 112000 STUD FOREST FAST SRV 1762 17 0

Part No: 1111116 MPN: 112000

Sorry, this part is now obsolete

View Part Details
51 products found