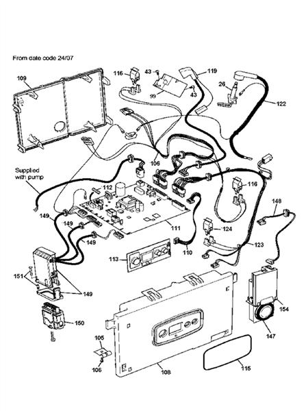
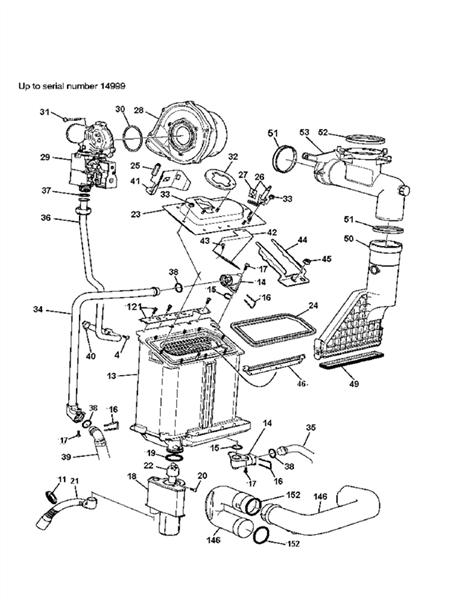
Gas Boiler Spares for Glowworm Flexicom CX 30
Brand: Glowworm Range: FLEXICOM Model: CX 30 GC Number: 47-047-34
Here you can find the spare parts for the Glowworm Flexicom CX 30. Can't find the part you're looking for? You can contact us and a member of our team will be more than happy to help find the part you need.
All of our boiler manuals are free to download from our boiler manuals section
You can narrow your results further by choosing one of the following sub-appliances:

Saunier Duval 0020047005 3 Bar Pressure Relief Valve - Themaclassic/Enviroplus
Part No: 1417409 MPN: 0020047005

Glow-worm 0020079644 Central Heating Pressure Sensor - Flexicom/Ultracom
Part No: 1337421 MPN: 0020079644

Glow-worm 0020023825 Main Printed Circuit Board - BMU - Flexicom/Ultracom
Part No: 1339653 MPN: 0020023825

Saunier Duval S5739800 Temperature Sensor - Isofast F/Isomax F/Themaclassic
Part No: 1416330 MPN: S5739800