Gas Valves for Biasi Riva Advance HE Iso M110B2SM
Brand: Biasi Range: RIVA Advance Model: HE ISO M110B2SM GC Number: 47-583-12
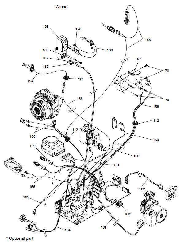
Here you will find all the spare parts for the Biasi Riva Advance He Iso M110B2SM. Can't find the part you're looking for? You can contact us and a member of our team will be more than happy to help find the part you need.
Installation ManualAll of our boiler manuals are free to download from our boiler manuals section
You can narrow your results further by choosing one of the following sub-appliances:

