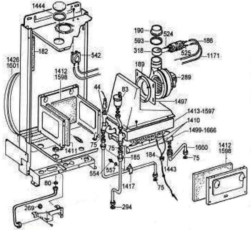
Heat Exchanger for Ikon Icon 28T
Brand: Ikon Range: ICON Model: 28T
We offer a wide range of spare parts for the Ikon Icon 28T. Can't find the part you're looking for? You can contact us and a member of our team will be more than happy to help find the part you need.
All of our boiler manuals are free to download from our boiler manuals section
You can narrow your results further by choosing one of the following sub-appliances:

