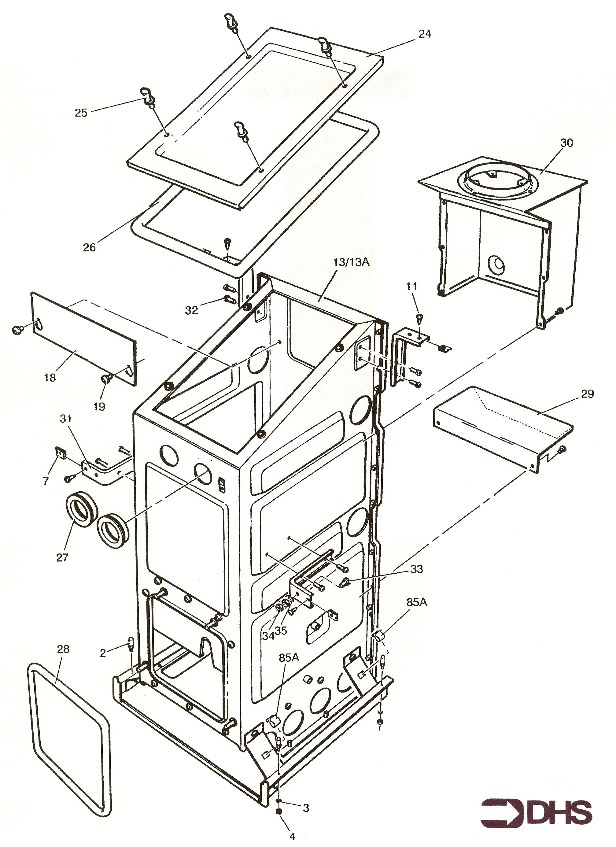
Gas Boiler Spares for Baxi Boston 2 OF 70
Brand: Baxi Range: Boston 2 Model: OF 70 GC Number: 41-077-83
We offer a wide range of spare parts for the Baxi Boston 2 OF 70. Can't find the part you're looking for? You can contact us and a member of our team will be more than happy to help find the part you need.
All of our boiler manuals are free to download from our boiler manuals section
You can narrow your results further by choosing one of the following sub-appliances:
77 Baxi 102005 Thermocouple - 18/24 Honeywell Q309A2721 STD - Bermuda/Brazilia
Part No: 1110952 MPN: 102005
076 Baxi 062532 Screw Tf M4 x 8mm Pan Pozi Zinc Plated - Bermuda/Barcelona/Boston
Part No: 1110602 MPN: 062532
011
Baxi 062571 Screw St No8 x 1/2 Pan.Hd Pz Zinc Plated A - Bermuda/Boston/Gas Flam
Part No: 1110616 MPN: 062571
023
Baxi 062583 Screw Tf M5 x 10mm Pn Hd Pz S Zinc Plated - Boston/Bermuda/Solo HE
Part No: 1110620 MPN: 062583





