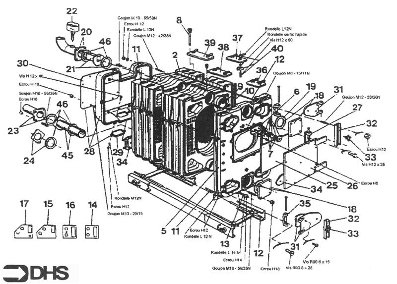
Gas Boiler Spares for Ideal Commercial Viscount Es Cfe 800
Brand: Ideal Commercial Range: VISCOUNT Model: ES CFE 800
We have a range of spare parts for the Ideal Commercial Viscount Es Cfe 800. Can't find the part you're looking for? You can contact us and a member of our team will be more than happy to help find the part you need.
All of our boiler manuals are free to download from our boiler manuals section
You can narrow your results further by choosing one of the following sub-appliances:

Ideal 065898 Sightglass & Gaskets - 80157700 Falcon GT/Harrier GT/Viscount GTE
Part No: 1171233 MPN: 065898
66
Ideal 065879 Indicator Lights - 95216280 Concord ES/Viceroy ES/Viscount ES
Part No: 1171214 MPN: 065879
18
Ideal 065905 Flange & Gasket - 80068906 Viscount ES/Viscount GT/Viscount GTE
Part No: 1171240 MPN: 065905