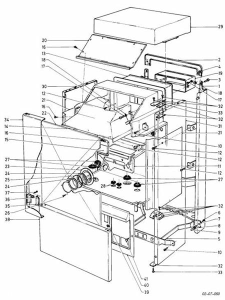
Gas Boiler Spares for Vaillant Thermocompact Vcw 221 T(88-96)
Brand: Vaillant Range: THERMOCompact Model: VCW 221 T(88-96) GC Number: 47-044-14
We have a range of spare parts for the Vaillant Thermocompact Vcw 221 T(88-96). Can't find the part you're looking for? You can contact us and a member of our team will be more than happy to help find the part you need.
All of our boiler manuals are free to download from our boiler manuals section
You can narrow your results further by choosing one of the following sub-appliances:
015 Vaillant 981140 Packing O'Ring - 10 Pack - Aquaplus VUI/Ecomax VU/ecoTEC Plus VU
Part No: 1374897 MPN: 981140
007 Vaillant 981142 Packing O'Ring - Set Of 10 - Turbomax VUW/ecoTEC Pro VUW
Part No: 1378684 MPN: 981142
014 Vaillant 981163 Packing O'Ring - Pack of 10 - Turbomax VUW/ecoTEC Plus VUW
Part No: 1374919 MPN: 981163
018 Vaillant 981165 Packing O'Ring - Pack of 10 - Ecofit Pure System VU/Ecomax VUW
Part No: 1374921 MPN: 981165














